Product Summary
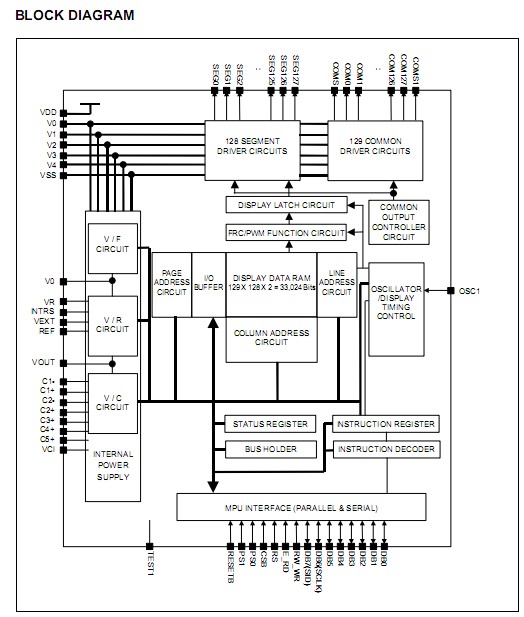
The S6B0741X01-49XN is a driver and controller LSI for 4-level gray scale graphic dot-matrix liquid crystal display systems. The S6B0741X01-49XN contains 128 segment and 129 common driver circuits. This chip is connected directly to a microprocessor, accepts Serial Peripheral Interface (SPI) or 8-bit parallel display data and stores in an on-chip display data RAM of 128 x 129 x 2 bits. The S6B0741X01-49XN performs display data RAM read/write operation with no external operating clock to minimize power consumption. In addition, because it contains power supply circuits necessary to drive liquid crystal, it is possible to make a display system with the fewest components.
Parametrics
S6B0741X01-49XN absolute maximum ratings: (1)VDD: - 0.3 to + 7.0 V; (2)V0, VOUT: - 0.3 to + 17.0 V; (3)V1, V2, V3, V4: - 0.3 to V0 + 0.3 V; (4)External reference voltage: +0.3 to VDD; (5)Input voltage range: - 0.3 to VDD + 0.3 V; (6)Operating temperature range: - 40 to + 85 ℃; (7)Storage temperature range: - 55 to + 125 ℃.
Features
S6B0741X01-49XN features: (1)4-level (White, Light Gray, Dark Gray, Black) Gray Scale Display with PWM and FRC Methods; (2)Driver Output Circuits; (3)On-chip Display Data RAM; (4)Microprocessor Interface; (5)On-chip Low Power Analog Circuit; (6)Low Power Consumption; (7)Package Type- Slim chip for TCP.
Diagrams

![]() |
![]() S6B0724 |
![]() Other |
![]() |
![]() Data Sheet |
![]() Negotiable |
|
||||
![]() |
![]() S6B0723 |
![]() Other |
![]() |
![]() Data Sheet |
![]() Negotiable |
|
||||
![]() |
![]() S6B0721 |
![]() Other |
![]() |
![]() Data Sheet |
![]() Negotiable |
|
||||
![]() |
![]() S6B0719 |
![]() Other |
![]() |
![]() Data Sheet |
![]() Negotiable |
|
||||
![]() |
![]() S6B0718 |
![]() Other |
![]() |
![]() Data Sheet |
![]() Negotiable |
|
||||
![]() |
![]() S6B0717 |
![]() Other |
![]() |
![]() Data Sheet |
![]() Negotiable |
|
||||
(China (Mainland))








